Проектирование


Проектирование
и разработка технической документации
Разработка комплексных решений для электротехнического проектирования, автоматизации технологических процессов и создания технической документации.
Современные системы проектирования
01
Разработка документации для АСУ ТП
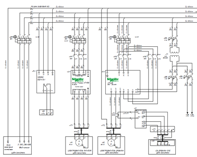
Полная разработка конструкторской и эксплуатационной документации на шкафы управления и системы управления АСУ ТП различной сложности в строгом соответствии с системой проектной документации для строительства (СПДС), ГОСТами и единой системой конструкторской документации (ЕСКД).
02
Комплексное проектирование электротехнических систем
Создание полного комплекта документации, включающего принципиальные электрические схемы, схемы расположения оборудования, кабельные журналы и схемы внешних подключений с использованием специализированного программного обеспечения.
03
Детальное проектирование систем автоматизации
Разработка схем комплекса технических средств (КТС), схем автоматизации, планов расположения и прокладки кабельных трасс в соответствии с действующими нормативными требованиями и потребностями заказчика.
Возможности проектирования
01
Полный комплект технической документации согласно стандартам
• Принципиальные электрические схемы
• Схемы расположения оборудования
• Кабельные журналы
• Схемы внешних подключений
• Схемы КТС (комплекса технических средств)
• Схемы автоматизации
• Планы расположения и прокладки кабельных трасс
• Перечни элементов
• Спецификации изделий
02
Разработка документации для систем любой сложности
Создание проектной и рабочей документации для шкафов управления и систем АСУ ТП с учетом специфики объекта, действующих норм и предпочтений заказчика, включая корректировку ранее разработанной документации по требованиям заказчика.
Преимущества проектирования в АСЭП
01
Соответствие всем актуальным стандартам
Проектная документация разрабатывается в полном соответствии с актуальными стандартами: ГОСТами, ЕСКД (Единая система конструкторской документации) и СПДС (Система проектной документации для строительства), что гарантирует её соответствие всем нормативным требованиям.
02
Высокая точность и детализация
Все документы, от принципиальных схем до спецификаций, разрабатываются с высокой степенью детализации и точности, что обеспечивает качественный монтаж и бесперебойную работу систем после внедрения.
03
Профессиональные CAD-системы
Использование современных систем автоматизированного проектирования для создания документации от эскизных до исполнительных документов (as-build), что гарантирует высокую точность и соответствие требованиям проекта.
Отраслевая экспертиза
01
Горнодобывающая промышленность
Разработка проектов для систем электроснабжения, автоматизации горных работ, систем управления вентиляцией и освещением шахт.
02
Нефтегазовый сектор
Решения для автоматизации добычи и переработки нефти и газа, проектирование систем управления на нефтеперерабатывающих заводах, а также разработка проектов для систем трубопроводов.
03
Металлургические производства
Разработка проектов для систем электроснабжения металлургических комбинатов, автоматизация производственных процессов, проектирование систем управления плавильными печами и прокатными станами.
04
Энергетический комплекс
Проектирование систем электроснабжения для электростанций, подстанций, а также разработка систем управления для электрогенерирующего оборудования.
05
Машиностроение
Автоматизация производственных процессов на машиностроительных предприятиях, проектирование систем управления станками с ЧПУ, разработка систем автоматизированного контроля и диагностики
